Bóson Treinamentos em Ciência e Tecnologia

Curso de Eletrônica – Como funciona um LED RGB

Curso de Eletrônica - Como funciona um LED RGB e bicolor

Como funciona um LED RGB

Um LED RGB consiste em três LEDs encapsulados em um mesmo dispositivo, que podem ser controlados individualmente, cada um com uma cor distinta: um vermelho (Red), um verde (Green) e um azul (Blue). Abaixo podemos ver os símbolos esquemáticos de LEDs RGB de dois tipos: anodo comum e catodo comum:

Eles possuem quatro terminais, sendo que três deles são conectados a cada LED de cor individual, e o quarto terminal é comum a todos. Existem duas configurações possíveis para esse terminal (“perna”): anodo comum e catodo comum.

É possível ativar as cores individualmente, fazendo com que o LED se acenda em uma das três cores disponíveis, ou ainda combinar as cores dos LEDs individuais para que sejam produzidas cores diferentes. Como internamente os três LEDs se localizam muito próximos entre si, o olho humano não é capaz de distingui-los, enxergando apenas a mistura de cores final.

Podemos gerar inúmeras cores diistintas, combinando diferentes níveis de cada cor primária do LED. Podemos usar para isso a técnica de PWM, a qual permite ajustar o nível de brilho em cada um dos LEDs e, portanto, a mistura dessas cores.

Na imagem abaixo podemos ver um LED RGB. Note que alguns dos terminais possuem tamanhos diferentes. No caso da ilustração, perceba que um dos terminais é maior, sendo esse o terminal comum (catodo no LED mostrado). O pino da esquerda corresponde ao LED interno vermelho, o central, ao verde, e o da direita, ao azul. É importante consultar o datasheet do componente para determinar as funções dos pinos; em sua ausência, teste os pinos, sempre usando um resistor (recomendo ao menos 220 Ω) em série com cada LED interno (proteção contra sobrecorrente), e lembrando que o terminal mais comprido é o catodo (ou anodo, dependendo do LED), o qual é conectado ao +V ou ao GND.

LED RGB

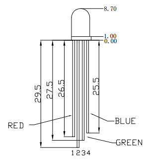
A figura a seguir mostra a pinagem do LED apresentado, assim como as dimensões dos pinos, em mm. Informações retiradas do datasheet do LED:

Na figura a seguir podemos ver uma sugestão de conexão de um LED RGB a uma breadboard (protoboard). O segundo pino da esquerda para a direita é o comum (anodo ou catodo):

 

E na figura seguinte, o LED (catodo comum) conectado a uma fonte de energia, com três resistores limitadores de corrente de 220 Ω protegendo cada LED individual. Nesta configuração, as três cores acenderão simultaneamente:

Uma característica importante dos LEDs RGB é que cada LED individual interno, por ser de cor distinta, possui sua própria tensão de operação, o que deve ser levado em conta ao se projetar um circuito – os LEDs geralmente operam com a mesma corrente, porém com tensões diferentes; de acordo com a Lei de Ohm, isso significa que cada pino do LED irá necessitar de um resistor de valor de resistência diferente. A intensidade luminosa também tende a ser diferente, sendo que a cor vermelha geralmente possui menor intensidade do que o verde e o azul.

Abaixo temos alguns dados retirados do datasheet de um LED, modelo YSL-R596CR3G4B5C-C10, ilustrando o que foi dito:

Note que a corrente direta (IF) é a mesma para cada cor, mas a tensão elétrica é diferente, assim como a intensidade luminosa (medida em milicandelas, mcd), e a degradação luminosa após 1000 horas de uso – a cor verde se degrada mais rapidamente do que as demais.

Tipos de LEDs RGB

Os LEDS RGB são encontrados em dois tipos principais: Difuso e Transparente. Os LEDs transparentes possuem o invólucro em plástico transparente, e é possível visualizar os LEDs individuais dentro dele. Geralmente, ao acender mais de uma cor simultaneamente, conseguimos enxergá-las separadamente, sendo que este tipo de LED é muito útil para sinalização e iluminação, mas não para mixar as cores básicas e formar novas cores. Possui um brilho maior que os LEDs difusos.

Já os LEDs difusos tem o encapsulamento feito com resina epoxy translúcida, que não permite que vejamos os LEDs individuais internamente. Neste tipo de LED a luz gerada é difundida uniformemente no invólucro do dispositivo, sendo possível misturar a luz dos LEDs individuais e perceber um novo tom de cor, resultante da mistura das cores acionadas. A luz pode ser percebida em todos os lados do componente, pois a luz é espalhada em um ângulo de visão maior – porém com menor luminosidade.

LEDs Bicolores

Além dos LEDs RGB existem outros tipos de LEDs que trazem mais de uma cor em um único encapsulamento. Um LED bicolor possui, como o nome sugere, duas cores disponíveis – pois contém dois LEDs em um único encapsulamento. Podem ser encontrados em duas formas: com dois ou com três pinos (terminais).

Em um LED bicolor de dois pinos, dois LEDs de cores diferentes são combinados em um encapsulamento e conectados inversamente em paralelo. A figura a seguir esquematiza esse LED:

A tabela da verdade a seguir mostra os estados possíveis para esse LED:

A B Estado
0 0 LEDs Apagados
0 1 Vermelho aceso
1 0 Verde aceso
1 1 LEDs apagados

Com este tipo de LED, portanto, apenas uma das cores pode ser acesa por vez.

Já em um LED bicolor de três pinos, dois LEDs de cores diferentes são conectados em reverso (mas não em paralelo), e um pino comum (catodo) é conectado a GND. A figura a seguir mostra o esquema interno desse LED:

A tabela da verdade a seguir mostra os estados possíveis para esse LED:

A B Estado
0 0 LEDs Apagados
0 1 Vermelho aceso
1 0 Verde aceso
1 1 Ambos acesos

Neste segundo tipo de LED bicolor, é possível acender um ou ambos os LEDs simultaneamente.

Nos próximos artigos falaremos mais sobre outros tipos de arranjos de LEDs, como os bargraphs e displays de sete segmentos. Até!

Quer aprender tudo sobre Eletrônica? Minha dica é o livro Eletrônica – Para Autodidatas, Estudantes e Técnicos – 2ª Edição, de Gabriel Torres, que você pode adquirir em formato digital com preço promocional clicando na imagem a seguir:

 

Sair da versão mobile