Porta Lógica OR
A porta lógica OR (disjunção lógica) recebe ao menos duas entradas e produz um valor na saída igual a 1 se ao menos uma dessas entradas tiver valor lógico igual a 1.
Nas figuras a seguir podemos ver os símbolos de uma porta OR com duas entradas:
Padrão IEC
A expressão lógica OR é dada por S = A + B, sendo que o sinal + indica a operação booleana OR, (e não a adição matemática!), e lemos A + B como “A OR B“.
Veja a seguir a tabela-verdade da porta lógica OR de duas entradas, A e B:
Podemos construir portas OR com duas, três, quatro ou mais entradas, e seu funcionamento é sempre o mesmo – saída igual a 1 se ao menos uma das entradas possuir nível lógico igual a 1.
Circuitos OR: Um exemplo de circuito integrado que implementa portas OR é o TTL 7432, que possui quatro portas OR independentes de duas entradas. A figura abaixo mostra o diagrama de pinagem desse circuito integrado:
Há diversas outras implementações de portas OR em circuitos integrados, como por exemplo o 4071 (CMOS, com 4 portas OR de duas entradas) e o 4072 (CMOS, com duas portas OR de 4 entradas).
Veja a seguir o símbolo de uma porta OR de três entradas (A, B e C):
E a tabela-verdade da porta OR de três entradas pode ser vista abaixo:
Note que o único caso em que teremos valor lógico igual a 0 (zero) na saída é quando todas as entradas possuem valor 0 também; em todos os outros casos, a saída é igual a 1.
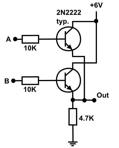
Porta OR com transístores
Podemos implementar uma porta lógica OR usando transistores e resistores, conforme mostra o diagrama esquemático a seguir:
Porta Lógica OR com transístores. Fonte: Wikimedia Commons
Na próxima lição vamos estudar a porta lógica AND.
Anterior: Porta Lógica Buffer
